液體檢測 滲漏檢測傳感器[放大器內置]EX-F60系列EX-F62(EX-F62-PN)
迅速檢測少量漏液
編 號:101476921
型 號:EX-F62(EX-F62-PN)
品 牌:Panasonic(松下電工)
貨 期:現貨
服 務:由科恩電氣發貨并提供售后服務
瀏 覽:次
- 基本信息
- 產品種類
- 詳細規格
- 產品尺寸
- 產品用途
- 可選件
迅速檢測少量漏液
|
※1
|
※2
|
※3
|
| ※1 | EMC指定適用 |
|---|---|
| ※2 | Recognition認證 |
| ※3 | 認證獲得(PNP輸出型除外) |
特點
穩定的檢測性能 [EX-F70]
|
利用毛細管現象,迅速檢測少量的漏液和帶粘性的液體。 |
|
體積小、省空間 [EX-F70]
|
為側面安裝式的約10mm薄型,因此在狹小空間內也可使用。 |
|
無需調節靈敏度 [EX-F70]
無需用調節器進行靈敏度調節,因此初始安裝非常簡單。
操作易檢查 [EX-F70]
此傳感器配備有一個正常指示燈(綠色),當安裝正確時亮起,另外還有一個錯誤指示燈(紅色),當檢測到有滲漏或安裝錯誤(忘記安裝專用支架)時亮起。因此,工作非常容易檢查。
安全設計 [EX-F70]
傳感器安裝不正確或電纜被切斷時,成為非入光狀態,可取得與“有滲漏”一樣輸出。
易安裝&重新設置 [EX-F70]
便于安裝:SUS安裝支架只需用到一個螺絲,PVC安裝支架只需要到兩個螺絲或一塊膠布。漏液后進行復原作業時,也無需更換零件。外形簡單,易擦去漏液。
備有PVC安裝支架 [EX-F72□]
備有PVC(聚氯乙烯)安裝支架。此種安裝支架可在能腐蝕普通金屬支架的環境中放心使用。
氟樹脂制,可放心用于藥液 [EX-F60]
|
本體外殼和電纜使用具有耐藥性的氟樹脂。 硫酸、鹽酸等滲漏時也能精確檢測。 |
|
易安裝&重新設置 [EX-F60]
外形簡單,易擦去漏液。并且不用更換零件。
體積小、省空間 [EX-F60]
|
內置放大器, 為厚9mm、寬26mm、高19mm的小型規格。可在狹窄空間使用。 |
|
省配線! 最多可連接8臺滲漏檢測傳感器 [EX-FC1]
滲漏檢測傳感器EX-F71/F72、EX-F61/F62用的簡易省配線單元(普通傳感器也能使用)。
最多可將8個滲漏檢測傳感器的輸出組合成單個OR輸出,可以實現簡潔的配線。
※ 即使只連接有一個滲漏檢測傳感器,如果傳感器檢測到滲漏,或部件安裝錯誤時,也會有OFF信號輸出。
薄型&小型 [EX-FC1]
本體尺寸為W20×H80×D52mm的薄型緊湊規格,極其節省空間。
使用單觸連接器,連接簡單 [EX-FC1]
|
連接時只要將滲漏檢測傳感器的電纜導線插入附帶的壓接式插針連接器SL-CP1并壓接即可。不用剝去導線外殼進行端子加工。 |
|
種類
滲漏檢測傳感器
| 種類 | 形狀 | 檢測物體 | 電纜長度 | 型號 | 輸出 | |
|---|---|---|---|---|---|---|
|
通 用 |
SUS安裝件 型 |
|
水、 Fluorinert? (注1)(注2) |
2m | EX-F71 |
NPN開路集電極 晶體管 |
| EX-F71-PN |
PNP開路集電極 晶體管 |
|||||
|
PVC安裝件 型 |
|
EX-F72 |
NPN開路集電極 晶體管 |
|||
| EX-F72-PN |
PNP開路集電極 晶體管 |
|||||
|
耐 藥 品 型 |
PFA安裝件 型 |
|
硫酸、鹽酸、 磷酸、 氨 等藥液 (注1)(注3)(注4) |
3m | EX-F61 |
NPN開路集電極 晶體管 |
| EX-F61-PN |
PNP開路集電極 晶體管 |
|||||
|
PVC安裝件 型 |
|
EX-F62 |
NPN開路集電極 晶體管 |
|||
| EX-F62-PN |
PNP開路集電極 晶體管 |
|||||
| (注1): | 有時無法穩定檢測高粘度液體。 |
|---|---|
| (注2): | Fluorinert?是美國3M公司的注冊商標。 |
| (注3): | 上述液體為代表示例。詳情請咨詢。 |
| (注4): | 由于檢測物體的濃度等不同,PVC安裝件有無法使用的情況,詳情請咨詢。 |
5m電纜長度型
備有5m電纜長度型(標準:2m/3m)。
請在型號末尾加注"-C5"進行訂購。
(例)EX-F71-PN的5m電纜長度型為“ EX-F71-PN-C5”
滲漏檢測傳感器用簡易省配線單元
| 形狀 | 型號 | 輸出 |
|---|---|---|
|
EX-FC1 | 繼電器接點1a |
配件(另售)
|
|
|
|||||||||
|
|
|
規格
滲漏檢測傳感器
| 種類 | 通用 | 耐藥品型 | |||
| SUS安裝件型 | PVC安裝件型 | PFA安裝件型 | PVC安裝件型 | ||
|
型 號 |
NPN輸出 | EX-F71 | EX-F72 | EX-F61 | EX-F62 |
| PNP輸出 |
EX-F71 -PN |
EX-F72 -PN |
EX-F61 -PN |
EX-F62 -PN |
|
| 檢測物體 | 水、FluorinertTM (注2)(注3) | 硫酸、鹽酸、磷酸、氨等的藥液(注2)(注4)(注6) | |||
| 電源電圧 | 12?24V DC±10% 脈動P-P10%以下 | ||||
| 消耗電流 |
10mA以下 (PNP輸出型為15mA以下) |
15mA以下 | |||
| 輸出 |
NPN開路集電極晶體管 ?最大流入電流: 50mA ?外加電壓:30V DC以下(輸出和0V之間) ?剩余電壓:1V以下(流入電流為50mA時) 0.4V以下(流入電流為16mA時) PNP開路集電極晶體管 ?最大 源電流:50mA ?外加電壓:30V DC以下(輸出和+V之間) ?剩余電壓:1V以下(源電流為50mA時) 0.4V以下(源電流為16mA時) |
||||
| 輸出動作 | 正常時ON、漏液時、異常安裝時OFF | ||||
| 短路保護 | 配備 | ||||
| 反應時間 | 50ms以下 | ||||
| 錯誤指示燈 | 紅色LED(漏液時、異常安裝時亮起) | ||||
| 正常指示燈 | 綠色LED(正常安裝時亮起) | ||||
| 保護構造 | IP67(IEC)、防滲漏型(JIS) | ||||
| 使用環境溫度 | -10?+60℃(注意不可結露、結冰),存儲時:-20?+70℃(注5) | ||||
| 使用環境濕度 | 35?85%RH,存儲時:35?85%RH | ||||
| 使用環境照明度 | 白熾燈:受光面照明度1,000lx以下 | ||||
| 投光元件 | 紅外線LED(非調制式) | ||||
| 材質 | 外殼:聚丙烯 | 外殼:PFA | |||
| 電纜 | 0.1mm2 3芯PVC橡皮電纜,長2m | 0.1mm2 3芯PFA橡皮電纜,長3m | |||
| 電纜延長 | 0.3mm2以上的電纜全長可延長至50m | ||||
| 重量 | 本體重量:約25g | 本體重量:約60g | |||
| 附件 |
MS-EX -F7-1(SUS安裝件) (注7):1個 |
MS-EX -F7-3 (兩點固定用PVC安裝件) (注7):1個 MS-EX-F7-2 (粘接用 PVC安裝件):1個 |
MS-EX -F6-1 (PFA安裝件):1個 |
MS-EX -F6-2 (PVC安裝件):1個 |
|
(注1): 無指定時的測量條件為使用環境溫度=+20℃。
(注2): 有時無法穩定檢測高粘度液體。
(注3): FluorinertTM是美國3M公司的注冊商標。
(注4): 上述液體為代表示例。詳情請咨詢。
(注5): 請將檢測液體的溫度控制在使用環境溫度范圍內。
(注6): PVC安裝件可能因檢測物體的濃度等而無法使用。詳情請咨詢。
(注7): 由于各傳感器的靈敏度設定不同,因此EX-F71(-PN)的安裝支架不能與EX-F72(-PN)的互換。
簡易省配線單元
| 品名 | 滲漏檢測傳感器用簡易省配線單元 | |
| 型號 | EX-FC1 | |
| 適用連接器 | SL-CP1 | |
| 電源電圧 | 12?24V DC±10% 脈動P-P10%以下 | |
| 消耗電流 | 50mA以下(部件自身)、135mA以下(包括所有傳感器輸出ON時的傳感器輸入電流) | |
| 輸出 |
繼電器接點1a ?開閉容量:30V 1A DC(電阻負載) ?最小適用負載:10mV 10μA DC ?電子壽命:10萬次以上(額定負載、開關頻率20次/分) ?機械壽命:5,000萬次以上(開關頻率180次 /分) |
|
| 輸出動作 | 當傳感器的輸入信號ON時,輸出繼電器ON | |
| 反應時間 | 5ms以下(不包括傳感器的反應時間) | |
| 輸入點數 | 8點 | |
|
指 示 燈 |
正常 | 綠色LED×8(當傳感器與各個通道連接且連接設定開關為ON時亮起) |
| 異常 | 紅色LED×8(當一個與各通道連接的傳感器檢測到滲漏或傳感器安裝不正確時亮起) | |
| 輸出 | 橙色LED[輸出繼電器ON(正常)時亮起] | |
| 使用環境溫度 | -10?+60℃(注意不可結露、結冰),存儲時:-20?+70℃ | |
| 使用環境濕度 | 35?85%RH,存儲時:35?85%RH | |
| 材質 | 外殼:ABS,安裝基座:POM,端子部分:PBT | |
| 電纜 | 0.2mm24芯橡皮電纜,長2m | |
| 電纜延長 | 0.3mm2以上的電纜全長可延長至10m不到 | |
| 重量 | 本體重量:約85g | |
| 附件 | SL-CP1(壓接式插針連接器) :8個,MS-SL-2(部件安裝基座) :1個 | |
(注1): 無指定時的測量條件為使用環境溫度=+20℃。
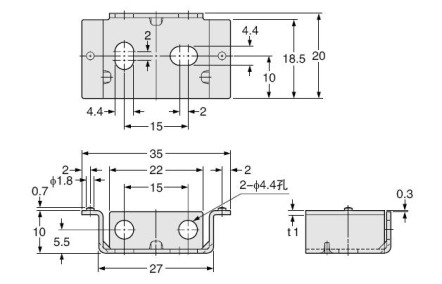
尺寸圖
- 單位mm
EX-F71(-PN)
EX-F72(-PN)
外形尺寸圖
|
EX-F71(-PN)專用安裝件安裝圖
|
EX-F72(-PN)專用安裝件安裝圖
MS-F7-3/兩點固定用
|
MS-EX-F7-2/粘接用
|
EX-F61(-PN)
EX-F62(-PN)
|
EX-F61(-PN)專用安裝件安裝圖
|
|
EX-FC1
滲漏檢測傳感器用簡易省配線單元
|
MS-DIN-3
|




















科恩電氣
科恩眾和