CMOS型激光位移傳感器HG-C系列HG-C1030
CMOS型激光位移傳感器HG-C誕生!
- 基本信息
- 產品種類
- 詳細規格
- 產品尺寸
- 產品用途
- 可選件
CMOS型激光位移傳感器HG-C誕生!
※HG-C1030(-P)的情況
|
|
|
CE 、FDA 已取得。
CE : EMC指令(HG-C1050L(-P) 除外)
FDA : HG-C1050L(-P)除外
2016年6月 增加模擬電流輸出。
關于模擬輸出,“模擬電壓輸出”“模擬電流輸出”可任選其一。(HL-C1050L(-P)除外)
特點
|
配備0~5V的模擬電壓輸出※2
用測距傳感器規定測定值
? 直線性:±0.1%F.S.※1
? 溫度特性:0.03%F.S./℃
※1 : HG-C1030/HG-C1050/HG-C1100的情況
|
※2 :從2016年6月生產的產品開始,也可選擇模擬電流輸出選項。(HL-C1050L(-P)除外)
<緊湊>
|
設計出內部安裝有鏡面的新型光學系統 |
|
|
采用鋁鑄外殼,使機身免受變形和溫度的困擾 |
|
<占絕對優勢的穩定檢測>
實現1/100mm的高精度檢測
|
配備便利的功能
教導&窗口比較模式
存在檢測物體的狀態下,只需按下 “TEACH”鍵,即可簡單地設定基準值。另外,在2個基準值范圍內即判為OK,超出范圍即判為NG,1個輸出即可做出判定。
|
|
|
|
|
|
|
除教導&窗口比較模式外,還配備有[上升沿微分模式]、[下降沿微分模式]以及[通常檢測模式]。 在通常檢測模式下,可使用基本教導方法中的“2點教導”,存在微小物體和背景物體的情況下, 還可使用便捷的[限位教導]。 |
設定定時功能
可設定定時器的動作:“OFF延遲定時器”、“ON延遲定時器”、“單觸式定時器”、“無定時器”。定時時間固定為5ms。
|
OFF延遲定時器 |
|
|
|
峰值、谷值保持功能
配備有峰值保持功能或者谷值保持功能。峰值保持功能:該功能有效時,將會保持測量值的大值,顯示并輸出保持值。
谷值保持功能:該功能有效時,將會保持測量值的小值,顯示并輸出保持值。
※不能同時設定峰值保持功能和谷值保持功能。
※設定峰值保持功能或者谷值保持功能時,如執行調零功能,則會使所保持的測量值復位。
基準值微調功能
可在測量畫面中微調基準值。教導后,也可對基準值進行微調。
微晶石平整度檢測新利器[HG-C1050L]
|
陶瓷行業特別推薦
專用方式,有效區分表層(透明)與底層(非透明)平面,準確測量表層的平整度。
搭載CMOS,高精度&小尺寸兼顧
繼承HG-C1000搭載高精度CMOS及小尺寸的特性,在此基礎上追加微晶石檢測專用方式,實現光澤表面的精準檢測。
雙重模擬輸出可切換
配備模擬電流4mA~20mA輸出,模擬電壓0V~5V輸出,兩種輸出方式可切換,用戶按需選擇。(默認:模擬電流輸出)種類
| 種類 | 形狀 |
測量中心距離 和測量范圍 |
重復 精度 |
光束直徑 (注1) |
型號 | |
|---|---|---|---|---|---|---|
| NPN輸出 | PNP輸出 | |||||
|
檢測中心 30mm型 |
|
30±5mm | 10μm | 約?50μm | HG-C1030 | HG-C1030-P |
|
檢測中心 50mm型 |
50±15mm | 30μm | 約?70μm | HG-C1050 | HG-C1050-P | |
|
檢測中心 50mm型 |
50±4mm | 20μm | 約?150μm |
![]() HG-C1050L |
![]() HG-C1050L-P |
|
|
檢測中心 100mm型 |
100±35mm | 70μm | 約?120μm | HG-C1100 | HG-C1100-P | |
|
檢測中心 200mm型 |
200±80mm | 200μm | 約?300μm |
![]() HG-C1200 |
![]() HG-C1200-P |
|
|
檢測中心 400mm型 |
400±200mm |
300μm (檢測距離 200~400mm) 800μm (檢測距離 400~600mm) |
約?500μm |
![]() HG-C1400 |
![]() HG-C1400-P |
|
| (注1): |
測量中心距離處的值。按照中心光強度的1/e2(約13.5%)定義這些值。 如果定義范圍外有漏光,并且檢測點范圍的反射率高于檢測點本身,則結果可能會受到影響。 |
|---|
規格
| 種類 | 測量中心距離200mm型 | 測量中心距離400mm型 | ||
|---|---|---|---|---|
|
型 號 |
NPN 輸出 |
HG-C1200 | HG-C1400 | |
|
PNP 輸出 |
HG-C1200-P | HG-C1400-P | ||
| 符合規則 | EMC適合指令、FDA規則 | |||
| 測量中心距離 | 200mm | 400mm | ||
| 測量范圍 | ±80mm | ±200mm | ||
| 重復精度 | 200μm |
300μm(測量距離200~400mm) 800μm(測量距離400~600mm) |
||
| 直線性 | ±0.2%F.S. |
±0.2%F.S.(測量距離200~400mm) ±0.3%F.S.(測量距離400~600mm) |
||
| 溫度特性 | 0.03% F.S./℃ | |||
| 光源 |
紅色半導體激光 2級[JIS/IEC/GB/FDA(注2)] 最大輸出:1mW、投光波峰波長:655nm |
|||
|
光束直徑 (注3) |
約?300μm | 約?500μm | ||
| 電源電壓 | 12~24V DC±10% 脈動P-P10%以下 | |||
| 消耗電流(注4) | 40mA以下(電源電壓24V DC時)、65mA以下(電源電壓12V DC時) | |||
| 控制輸出 |
NPN開路集電極晶體管 ? 最大流入電流:50mA ?外加電壓:30V DC以下(控制輸出-0V之間) ? 剩余電壓:1.5V以下(流入電流50mA時) ? 漏電流:0.1mA以下 PNP開路集電極晶體管 ? 最大流入電流:50mA ? 外加電壓:30V DC以下(控制輸出-+V之間) ? 剩余電壓:1.5V以下(流出電流50mA時) ? 漏電流:0.1mA以下 |
|||
| ? | 輸出動作 | 入光時ON/非入光時ON 可切換 | ||
| 短路保護 | 配備(自動恢復) | |||
| 模擬輸出 | 模擬電壓輸出 |
?輸出范圍:0~5V(報警時:+5.2V) ?輸出阻抗:100Ω |
||
| 模擬電流輸出(注5) |
?輸出范圍:4~20mA(報警時:0mA) ?輸出阻抗:300Ω |
|||
| 反應時間 | 1.5ms/5ms/10ms 可切換 | |||
| 外部輸入 |
〈NPN輸出型〉 NPN無接點輸入 ?輸入條件 無效:+8~+V DC或開路 有效:0~+1.2V DC ?輸入阻抗:約10kΩ PNP無接點輸入 ?輸入條件 無效:0~+0.6V DC或開路 有效:+4~+V DC ? 輸入阻抗:約10kΩ |
|||
| 污損度 | 2 | |||
| 使用標高 | 2,000m以下 | |||
|
耐 環 境 性 |
保護構造 | IP67(IEC) | ||
|
使用環境 溫度 |
-10~+45℃(注意不可結露、結冰)、儲存時:-20~+60℃ | |||
|
使用環境 濕度 |
35%RH~85%RH、儲存時:35%RH~85%RH | |||
|
使用環境 照度 |
白熾燈:受光面照度3,000 lx以下 | |||
| 耐振動 | 耐久10~55Hz(周期1分鐘)??雙振幅1.5mm??XYZ各方向2小時 | |||
| 耐沖擊 | 耐久500m/s2(約50G)??XYZ各方向3次 | |||
| 電纜 | 0.2mm2?5芯復合電纜,長2m | |||
| 延長電纜 |
0.3mm2以上電纜 最多延長至全長10m |
|||
| 材質 | 本體外殼:壓鑄鋁 前罩:丙烯基 | |||
| 重量 | 本體重量:約35g(不含電纜),約85g(含電纜) | |||
| (注1): | 未指定測量條件時,使用條件如下:電源電壓:24V DC 環境溫度:+20℃ 響應時間:10ms、測量中心距離的模擬輸出值。對象物體:白色陶瓷。 |
|---|---|
| (注2): | 根據FDA規則中Laser Notice No.50規定,并以FDA為準。 |
| (注3): |
測量中心距離的大小。按照中心光強度的1/e2(約13.5%)定義。 如果定義區域外有漏光,并且檢測點范圍有高于檢測點本身的強反射,測定結果可能會受到影響。 |
| (注4): |
從2016年6月生產的產品開始進行規格變更。 2016年5月前生產的產品: 40mA以下(電源電壓24V DC時)、60mA以下(電源電壓12V DC時) |
| (注5): | 從2016年6月生產的產品開始追加了模擬電流輸出功能。 |
| 種類 | 測量中心距離30mm型 | 測量中心距離50mm型 | 測量中心距離100mm型 | |
|---|---|---|---|---|
|
型 號 |
NPN 輸出 |
HG-C1030 | HG-C1050 | HG-C1100 |
|
PNP 輸出 |
HG-C1030-P | HG-C1050-P | HG-C1100-P | |
| 符合規則 | EMC適合指令、FDA規則 | |||
| 測量中心距離 | 30mm | 50mm | 100mm | |
| 測量范圍 | ±5mm | ±15mm | ±35mm | |
| 重復精度 | 10μm | 30μm | 70μm | |
| 直線性 | ±0.1% F.S. | |||
| 溫度特性 | 0.03% F.S./℃ | |||
| 光源 |
紅色半導體激光 2級(JIS/IEC/GB)/Ⅱ級(FDA)(注2) 最大輸出:1mW、投光波峰波長:655nm |
|||
|
光束直徑 (注3) |
約?50μm | 約?70μm | 約?120μm | |
| 電源電壓 | 12~24V DC±10% 脈動P-P10%以下 | |||
| 消耗電流(注4) | 40mA以下(電源電壓24V DC時)65mA以下(電源電壓12V DC時) | |||
| 控制輸出 | ? |
〈NPN輸出型〉 NPN開路集電極晶體管 ? 最大流入電流:50mA ? 外加電壓:30V DC以下(控制輸出-0V之間) ? 剩余電壓:1.5V以下(流入電流50mA時) ? 漏電流:0.1mA以下 〈PNP輸出型〉 PNP開路集電極晶體管 ? 最大源電流:50mA ? 外加電壓:30V DC以下(控制輸出-+V之間) ? 剩余電壓:1.5V以下(流出電流50mA時) ? 漏電流:0.1mA以下 |
||
| 輸出動作 | 入光時ON/非入光時ON 可切換 | |||
| 短路保護 | 配備(自動恢復) | |||
| 模擬輸出 | 模擬電壓輸出 |
?輸出范圍:0~5V(報警時:+5.2V) ?輸出阻抗:100Ω |
||
| 模擬電流輸出(注5) |
?輸出范圍:4~20mA(報警時:0mA) ?輸出阻抗:300Ω |
|||
| 反應時間 | 1.5ms/5ms/10ms 可切換 | |||
| 外部輸入 |
〈NPN輸出型〉 NPN無接點輸入 ?輸入條件 無效:+8~+V DC或開路 有效:0~+1.2V DC ?輸入阻抗:約10kΩ PNP無接點輸入 ?輸入條件 無效:0~+0.6V DC或開路 有效:+4~+V DC ? 輸入阻抗:約10kΩ |
|||
| 污損度 | 2 | |||
| 使用標高 | 2,000m以下 | |||
| 耐環境性 | 保護構造 | IP67(IEC) | ||
|
使用環境 溫度 |
-10~+45℃(注意不可結露、結冰)、存儲時20~+60℃ | |||
|
使用環境 濕度 |
35%RH~85%RH,存儲時:35%RH~85%RH | |||
|
使用環境 照度 |
白熾燈:受光面照度3,000 lx以下 | |||
| 電纜 | 0.2mm2?5芯復合電纜,長2m | |||
| 材質 | 本體外殼:壓鑄鋁 前罩:丙烯基 | |||
| 重量 | 本體重量:約35g(不含電纜),約85g(含電纜) | |||
| (注1): | 未指定測量條件時,使用條件如下:電源電壓:24V DC 環境溫度:+20℃ 響應時間:10ms、測量中心距離的模擬輸出值。對象物體:白色陶瓷。 |
|---|---|
| (注2): | 根據FDA規則中Laser Notice No.50規定,并以FDA為準。 |
| (注3): |
測量中心距離的大小。按照中心光強度的1/e2(約13.5%)定義。 如果定義區域外有漏光,并且檢測點范圍有高于檢測點本身的強反射,測定結果可能會受到影響。 |
| (注4): |
從2016年6月生產的產品開始進行規格變更。 2016年5月前生產的產品: 40mA以下(電源電壓24V DC時)、60mA以下(電源電壓12V DC時) |
| (注5): | 從2016年6月生產的產品開始追加了模擬電流輸出功能。 |
| 種類 | 測量中心距離50mm型 | |||
|---|---|---|---|---|
|
型 號 |
NPN 輸出 |
HG-C1050L | ||
|
PNP 輸出 |
HG-C1050L-P | |||
| 測量中心距離 | 50mm | |||
| 測量范圍 | ±4mm | |||
| 重復精度 | 20μm | |||
| 直線性 | ±0.3% F.S. | |||
| 溫度特性 | 0.03% F.S./℃ | |||
| 光源 |
紅色半導體激光 1級(JIS/IEC/GB) 最大輸出:0.2mW、發光光束波長:655nm |
|||
|
光束直徑 (注2) |
約?150μm | |||
| 受光元件 | CMOS圖形傳感器 | |||
| 電源電壓 | 12V~24V DC±10% 脈動P-P10% | |||
| 消耗電流 | 40mA以下(電源電壓24V DC時)、60mA以下(電源電壓12V DC時) | |||
| 控制輸出 | ? |
〈NPN輸出型〉 NPN開路集電極晶體管 ? 最大流入電流:50mA ? 外加電壓:30V DC以下(控制輸出和0V之間) ? 剩余電壓:1.5V以下(流入電流50mA下) ? 漏電流:0.1mA以下 〈PNP輸出型〉 PNP開路集電極晶體管 ? 最大源電流:50mA ? 外加電壓:30V DC以下(控制輸出和+V之間) ? 剩余電壓:1.5V以下(流出電流50mA下) ? 漏電流:0.1mA以下 |
||
| 輸出動作 | 入光時ON/非入光時ON 可切換 | |||
| 短路保護 | 配備(自動恢復) | |||
| 模擬輸出 | 電壓 |
?輸出范圍:0V~5V(報警時:+5.2V) ?輸出阻抗:100Ω |
||
| 電流 |
?輸出范圍:4mA~20mA(報警時:0mA) ?負載阻抗:300Ω最大 |
|||
| 反應時間 | 1.5ms/5ms/10ms 可切換 | |||
| 外部輸入 |
〈NPN輸出型〉 NPN無接點輸入 ?輸入條件 無效:+8V~+V DC或者開放 有效:0V~+1.2V DC ?輸入阻抗:約10kΩ PNP無接點輸入 ?輸入條件 無效:0V~+0.6V DC或者開放 有效:+4~+V DC ? 輸入阻抗:約10kΩ |
|||
| 保護構造 | IP67(IEC) | |||
| 污染度 | 2 | |||
| 使用環境溫度 | -10℃~+45℃(注意不可結露、結冰)、存儲時:-20℃~+60℃ | |||
| 使用環境濕度 | 35%RH~85%RH、存儲時:35%RH~85%RH | |||
| 使用環境照度 | 白熾燈:受光面照度3,000 lx以下 | |||
| 使用標高 | 2,000m以下 | |||
| 電纜 | 0.2mm2?5芯復合電纜長2m | |||
| 材質 | 本體外殼:鋁鑄件 前面蓋板:丙烯基 | |||
| 重量 | 約35g(不含電纜)、約85g(含電纜) | |||
| 適用規格 | 符合EMC指令 | |||
| (注1): | 未指定測量條件時,使用條件如下:電源電壓:24V DC、環境溫度:+20℃、反應時間:10ms、測量中心 距離的模擬輸出值。對象物體:白色陶瓷。 |
|---|---|
| (注2): | 該值為測量中心距離上的值。按照中心光強度的1/e2(約13.5%)定義這些值。如果定義區域外有漏光,并且 檢測點范圍有高于檢測點本身的強反射,檢測結果可能會受到影響。 |
| (注3): |
測量中心距離的大小。按照中心光強度的1/e2(約13.5%)定義。 如果定義區域外有漏光,并且檢測點范圍有高于檢測點本身的強反射,測定結果可能會受到影響。 |
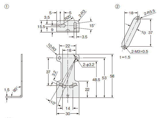
尺寸圖
- 單位mm
HG-C□
|
| 型號 | 測量中心距離(L) | θ |
|---|---|---|
| HG-C1030(-P) | 30 | 30° |
| HG-C1050(-P) | 50 | 22.5° |
| HG-C1100(-P) | 100 | 12.5° |
| HG-C1200(-P) | 200 | 6.3° |
| HG-C1400(-P) | 400 | 3.2° |
HG-C1050L/HG-C1050L-P
|
MS-HG-01
簡易安裝支架(另售)
|
|
用途
真實傳達測量值
|
|
|
|
小型?輕量
|
|
|
|
長距離測量
|
|
|
|
卓越的段差檢測性能
|
|
|
|




















科恩電氣
科恩眾和