障礙物檢測傳感器 PX-2系列PX-24
實現「小型」「寬區域」「長距離」檢測
- 基本信息
- 產品種類
- 詳細規格
- 產品尺寸
- 產品用途
- 可選件

實現“小型化”、“寬區域”、“長距離”檢測
|
※1
|
| ※1 | EMC指定適用 |
|---|
特點
無死角的理想檢測區域
PX-2列先進的光學系統減少了一輛自動導向車(AGV)前方的無效檢測區。若使用連接器簡單地安裝輔助傳感器,兩旁的無效檢測區將進一步減小。
(PX-24、PX-24ES、PX-23ES及PX-26)
|
檢測區域可根據路線狀況選擇
|
可使用開關選擇適合AGV行駛路線路況的檢測區域。另外,如果是在PX-24ES和PX-23ES系列中,還可根據外部信號來選擇檢測區域。 |
|
長檢測距離5m型
PX-26可實現5m長檢測距離。即使是在一輛高速行駛的自動導向車AGV上,它也能很早發現物體,從而平穩進行減速并停車。
自動防干擾功能
一個PX-2傳感器能在沒有任何干擾的情況下同時接
收其他25臺PX-2傳感器的光線。即使自動導向車是相對的,一輛自動導向車上的PX-2傳感器也能準確無誤地檢測其他的自動導向車。因此,在一個地方同時開動多輛自動導向車時也是很安全的。
體積小、省空間
|
尺寸是原有型號/的一半且其連接電纜的方位可隨意調整。因此, 它也可被安裝在一輛小型自動導向車AGV上。此外,在其正面即可進行靈敏度調節。 |
|
睡眠功能
當不使用傳感器時,傳感器能進入睡眠 (待機)狀態。通過一個外部信號,傳感器就能恢復到工作狀態。因而可節省電池,電源消耗減少到1/5。
外部靈敏度調節性能
通過外部輸入,在手動調節器的設定距離內,可以調節傳感器的靈敏度。
(PX-24、PX-24ES、PX-23ES和PX-26)
種類
規格
主傳感器
| 種類 | 標準 | 可連接輔助傳感器型 | |||||
| 帶外部控制功能型 | 長距離 | ||||||
| 近距離 | 近距離 | ||||||
| 型號 | PX-22 | PX-21 | PX-24 | PX-24ES | PX-23ES | PX-26 | |
|
檢測距離 (OUT1和OUT2區域)(注2) |
3m | 1m | 3m | 1m | 5m | ||
| 應差(注2) | 動作距離的15%以下 | ||||||
| 電源電壓 | 10~31V DC(含脈動) | ||||||
| 消耗電量(注3) | 工作狀態中:1.5W以下,睡眠狀態中:0.3W以下(不連接輔助傳感器時) | ||||||
|
OUT1 (中、左、右、近點OUT1、輔助傳 感器、各有效區域中的OR回 路) OUT2 (中、左、右各有效區域中的OR回路) |
NPN開路集電極晶體管 ?最大流入電流:100mA ?外加電壓:40V DC以 下(OUT1/OUT2和0V之間) ?剩余電壓:1.5V以下(流入電流為100mA時) 0.4V以下(流入 電流為16mA時) |
||||||
| 輸出動作 | 可用切換開關選擇入光時ON/非入光ON (OUT1和OUT2的動作相同) | ||||||
| 短路保護 | 配備 | ||||||
| 外來光線監控輸出 | - |
NPN開路集電極晶體管 ?最大流入電流:100mA ?外加 電壓:40V DC以下(外來光線監控輸出和0V之間) ?剩余電壓:1.5V以下(流入電流為100mA時) 0.4V以下(流入電流為16mA時) |
|||||
| 輸出動作 | - | 接收到自身光線(包括輔助傳感器)以外的調制式光時ON | |||||
| 短路保護 | - | - | |||||
| 反應時間 | 80ms以下 | ||||||
|
工作狀態 指示燈 |
OUT1區域 | 紅色LED(OUT1有效區域入光時亮起) | |||||
| OUT2區域 | 黃色LED(OUT2有效區域入光時亮起) | ||||||
| 靈敏度調節器 | 持續可變調節器(OUT1、鄰近右OUT1,鄰近左OUT1和OUT2區域可獨立調節) | ||||||
| 外部靈敏度調節性能 | - | 可用模擬電壓輸入調節靈敏度 | |||||
| 檢測區域 | 可用DIP開關選擇四個檢測區域。 | 可用DIP開關選擇四個檢測區域,可 用外部輸入選擇八個檢測區域。 | 固定 | ||||
| 睡眠功能 | 可通過外部輸入選擇工作/睡眠 | ||||||
| 自動防干擾功能 | 防止至多25個部件的光線干擾 | ||||||
|
環 境 性 能 |
保護構造 | IP65(IEC)、防噴流型(JIS) | |||||
| 使用環境溫度 |
-10~+55℃(注意不可結露、結冰), 存儲時:-20~+70℃ |
||||||
| 使用環境濕度 | 35~85%RH,存儲時:35~85%RH | ||||||
| 使用環境照明度 | 白熾燈:受光面照明度3,000Rx以下 | ||||||
| 耐電壓 | AC1,000V 1分鐘 所有電源連接端子與外殼之間 | ||||||
| 絕緣電阻 | 所有電源連接端子與外殼之間,20MΩ以上,基于DC500V的高阻表 | ||||||
| 耐振動 | 頻率10~500Hz 雙振幅3mm(MAX.20G) X,Y和Z方向各2小時 | ||||||
| 耐沖擊 | 加速度500m/s2 (約50G) X,Y和Z方向各3次 | ||||||
| 投光元件 | 紅外線LED(投光波峰波長:950nm、調制式) | ||||||
| 材質 | 外殼:ABS,透鏡:丙烯,罩:聚碳酸酯 | ||||||
| 電纜 |
0.3mm2 芯橡皮電纜, 長0.5m(用于輸入和輸出) |
用于輸入和輸出:0.18mm2 9芯(PX-24ES、PX-23ES12芯)橡皮電纜, 長0.5m 用于輔助傳感器連接:0.18mm2 10芯附帶連接器的橡皮電纜,長0.5m |
|||||
| 電纜延長 | 0.3mm2以上的電纜全長可延長至100m(10m用于輔助傳感器連接) | ||||||
| 重量 | 本體重量:約210g,包裝重量:約390g |
本體重量:約220g 包裝重量:約400g |
本體重量:約210g 包裝重量:約390g |
||||
| 附件 | MS-PX-2(主傳感器安裝支架):1套,調整螺絲刀:1個,區域切換連接銘牌:1塊 (僅PX-24ES、PX-23ES) | ||||||
(注1):無指定時的測量條件為使用環境溫度=+23℃。
(注2):檢測距離與應差是相對于白色無光澤紙(300×300mm)的數值。
(注3):根據以下公式獲得消耗電流。
消耗電流=消耗電量÷電源電壓
(例) 電源電壓為12V時,消耗電流(工作狀態)為:
1.5W÷12V=0.125A=125mA
輔助傳感器(注2)
| 型號 | PX-SB1 |
| 適用主傳感器 | PX-24、PX-24ES、PX-23ES、PX-26 |
| 可連接部件 | 至多2個PX-SB1可連接至1個主傳感器 |
| 檢測距離(注3) | 700mm |
| 電源電壓 | 由主傳感器提供 |
| 消耗電流 | 主傳感器的電流消耗通過輔助傳感器提高約30mA |
| 輸出 | 主傳感器OUT1的OR電路 |
| 工作狀態指示燈 | 紅色LED(入光時亮起) |
| 靈敏度調節器 | 配備持續可變調節器 |
| 投光元件 | 紅外線LED(調制式) |
| 材質 | 聚碳酸酯 |
| 電纜 | 0.3mm2 5芯帶連接器橡皮電纜,長2m |
| 電纜延長 | 0.3mm2 以上的電纜全長可延長至10m |
| 重量 | 本體重量:約130g,包裝重量:240g |
| 附件 | MS-NX5-1(輔助傳感器安裝支架):1個,調整螺絲刀:1把 |
除上述規格外其它與主傳感器相同。
(注1):無指定時的測量條件為使用環境溫度=+20℃。
(注2):輔助傳感器不可單獨使用。
(注3):檢測距離是相對于白色無光澤紙(300×300mm)的數值。
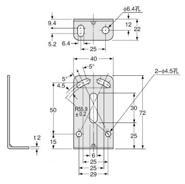
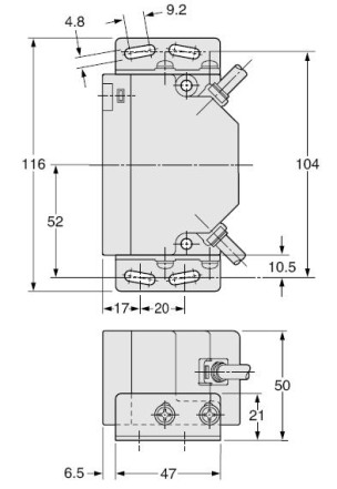
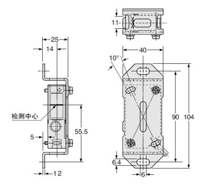
尺寸圖
- 單位mm
PX-2口
主傳感器
|
|
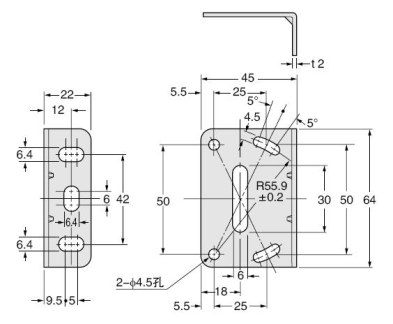
PX-SB1
輔助傳感器
|
MS-PX-2
材質:SPCC(光澤鍍鋅) 附帶4個帶墊圈的M4螺絲(長8mm)
|
|
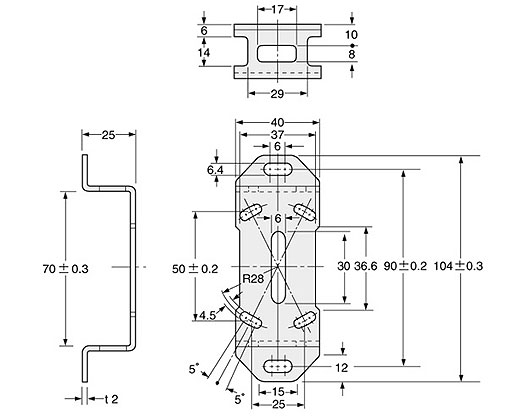
安裝圖
PX-24安裝圖。
|
|
MS-NX5-1
輔助傳感器安裝支架(PX-SB1附帶)
|
安裝圖
|
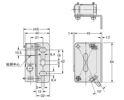
MS-NX5-2
輔助傳感器安裝支架(另售)
|
|
MS-NX5-3
輔助傳感器安裝支架(另售)
|
|

















科恩電氣
科恩眾和