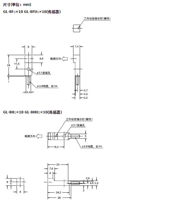
松下接近傳感器[放大器內置] 接近開關 GL-8F
可以輕松對各種物體實現無接點、長距離、高精度
編 號:1014185049
型 號:GL-8F
品 牌:Panasonic(松下電工)
貨 期:現貨
服 務:由科恩電氣發貨并提供售后服務
瀏 覽:次
- 基本信息
- 產品種類
- 詳細規格
- 產品尺寸
- 產品用途
- 可選件
可以輕松對各種物體實現無接點、長距離、高精度



神視(SUNX)是世界上最早開發光電傳感器的公司1971年,帶有LED(發光二極管)反射型光電傳感器問世之后,運用高度的傳感器技術、生產技術,制作出高性能高品質的產品,SUNX集團著力于開發和制造傳感器、光幕傳感器、激光刻印機、靜電消除器、工業用內視鏡。而日本SUNX作為通用傳感器的生產工廠,在面對國內銷售的同時,還對應著全球化的。日本神視SUNX產品廣泛用于建筑、通信、電力、電子、化工、機械等領域,日本神視SUNX產品通過了認證,易電日本神視SUNX產品是生產企業最好的配套品牌之一。SUNX傳感器,包括有光電,光纖,壓力,接近,色標,區域光幕,安全光幕,激光,靜電消除器等......。















科恩電氣
科恩眾和