數字激光傳感器LS
激光檢測,更貼近檢測物體,使用更方便!
- 基本信息
- 產品種類
- 詳細規格
- 產品尺寸
- 產品用途
- 可選件
激光檢測,更貼近檢測物體,使用更方便!
|
※1
|
※2
|
※3
|
※4
|
| ※1 | EMC指定適用 |
|---|---|
| ※2 | Recognition/C US認證 |
| ※3 | 符合標準(僅LS-H□F□) |
| ※4 | 認證通過(僅一部分型號) |
特點
使維護更簡單的新型激光傳感器LS-403新上市!
|
■可直接連接CC-Link對應通信單元SC-GU2-C
|
可通過SC-GU2-C進行CC-Link通信。將設備的出廠設定作為“設定文件”預先存儲后,即使更換了傳感器,也只需通過CC-Link寫入即可實現通信。除LS-403以外,SC-GU2-C還可連接數字光纖傳感器FX-501/502、FX-301/305。可統一進行數據通信。 |
|
|
■節省維護工時裝備基準值追蹤周期設定功能
|
為追蹤長期的環境變化(灰塵等)引起的投光量變化,可按照任意周期確認入光量,并自動對基準值進行重新設定。從而有助于減少維護工時。 |
|
對應各種不同的用途,備有6種類型的激光檢測頭。
|
安裝間距
|
檢測頭的安裝間距為25.4mm,和小型光電傳感器CX-400系列具有相同的行業標準。更換小型光電傳感器為激光傳感器時,亦可原封不動地使用安裝支架。 |
|
簡單易行的光點調整
|
在檢測頭的背面安裝有光點調節器,因此可在觀察光點的同時進行簡單調整。另外,由于需要使用螺絲刀進行調整,因此可避免維修時的手動誤操作。 |
|
設定簡單·雙重顯示
|
2個開關,操作簡便
操作開關僅有大型MODE按鈕和大型突出開關2個。
|
省配線、省空間
|
采用ONE SHOT電纜可節省配線。 |
|
可從外部輸入的電纜型
|
電纜型LS-401-C2配備外部輸入電纜(5芯)。建議您在通過來自裝置外部的輸入進行教導、停止激光投光或將激光傳感器作為單件產品使用時選擇該型。 |
|
切實檢測微差(M.G.S.功能)
|
進行近距離檢測,或者檢測透明體、微小物體時,能夠調節傳感器的受光靈敏度,從3檔(U-LG時為4檔)中選出的設定。而且,即使受光靈敏度發生了改變,傳感器的反應時間也不會發生改變。 |
|
應差模式
|
通過調整應差,能夠克服工件凹凸面的影響,從而進行穩定的檢測。 |
|
窗口對比模式
|
設定兩個基準值,以辨別規定范圍以外的工件。 |
|
獨立的2路輸出模式
|
組合2路輸出模式,可進行多種控制。適合彎曲檢測。 |
|
差分檢測模式
|
由于僅檢測光量的急劇變化,因此能夠切實檢測玻璃等物體的邊緣部分。適合工件的定位。 |
|
MODE NAVI定制功能
|
配備投光停止功能
|
當光點進入圖像處理器的照射范圍內時,可通過投光停止功能停止激光投光。 |
|
外部檢測功能
|
裝置內部設有激光傳感器,從裝置外部亦可進行檢測。 |
|
設定狀態一目了然(D-CODE)
|
放大器的設定狀態以8位顯示。便于遠程的作業指示和監控。 |
|
種類
檢測頭
| 種類 | 形狀 | 型號 | 適用標準 | 檢測距離 | ||
|---|---|---|---|---|---|---|
|
同軸型 回歸反射型 |
級 別 2 |
|
LS-H92 (注1) |
JIS/IEC/GB |
U-LG : 0.2~30m(注4) STD : 0.2~20m(注4) FAST : 0.2~10m(注4) H-SP : 0.2~10m(注4) |
|
|
LS-H92F (注2) |
FDA/IEC/JIS | |||||
|
LS-H91 (注1) |
JIS/IEC/GB |
U-LG : 0.1~7m(注4) STD : 0.1~5m(注4) FAST : 0.1~3m(注4) H-SP : 0.1~3m(注4) |
||||
|
LS-H91F (注2) |
FDA/IEC/JIS | |||||
|
級 別 1 |
LS-H91-A (注1) |
JIS/IEC/GB |
U-LG : 0.1~5m(注4) STD : 0.1~3m(注4) FAST : 0.1~1m(注4) H-SP : 0.1~1m(注4) |
|||
|
LS-H91F-A (注2) |
FDA/IEC/JIS | |||||
|
擴 散 反 射 型 |
長檢測距離 光點反射型 |
級 別 2 |
|
LS-H21 (注1) |
JIS/IEC/GB |
U-LG : 30~1,000mm STD : 30~500mm FAST : 30~300mm H-SP : 30~300mm |
|
LS-H21F (注2) |
FDA/IEC/JIS | |||||
|
級 別 1 |
LS-H21-A (注1) |
JIS/IEC/GB |
U-LG : 30~500mm STD : 30~250mm FAST : 30~150mm H-SP : 30~150mm |
|||
|
LS-H21F-A (注2) |
FDA/IEC/JIS | |||||
|
長檢測距離 線性反射型 |
級 別 2 |
|
LS-H22 (注1)(注3) |
JIS/IEC/GB |
U-LG : 30~1,000mm STD : 30~500mm FAST : 30~300mm H-SP : 30~300mm |
|
|
LS-H22F (注2)(注3) |
FDA/IEC/JIS | |||||
| 注意 | : | 由于需根據不同的安裝方法選擇不同的安裝支架,因此本檢測頭不附帶安裝支架。請另行訂購檢測頭安裝支架。 |
|---|
| (注1): | 已取得韓國S標志的認證。 |
|---|---|
| (注2): | 依據第50號激光通告(2001.7.26),以FDA標準(21 CFR 1040.10)為準。 |
| (注3): |
LS-H22(F)是長檢測距離光點反射型LS-H21(F)和線性反射用透鏡附件LS-MR1的成套型號。 實際的產品型號為LS-H21(F)。 |
| (注4): | 檢測距離為相對于反射鏡RF-330[LS-H92(F)為RF-230]的數值。另外,檢測距離表示反射鏡的可設范圍。亦可在0.1m[LS-H92(F)為0.2m]以下的距離檢測物體。當靠近檢測頭的地方存在白紙、鏡面體時,可能出現投光的反射入光的現象,敬請注意。此時,請利用放大器本體的M.G.S.功能變更反應時間和受光靈敏度后再使用。 |
5m電纜長度型
備有5m電纜長度型(標準:2m)。請在型號末尾加注“-C5”進行訂購。
LS-H91-C5、LS-H91-A-C5、LS-H21-C5、LS-H22-C5
| 標準型 | 5m電纜長度型 |
|---|---|
| LS-H91 | LS-H91-C5 |
| LS-H91-A | LS-H91-A-C5 |
| LS-H21 | LS-H21-C5 |
| LS-H22 | LS-H22-C5 |
無反射鏡型
LS-H91(F)、LS-H91(F)-A以及LS-H92(F)中備有不附帶反射鏡(RF-330或RF-230)的型號。
請在型號末尾加注“-Y”進行訂購。
LS-H92-Y、LS-H92F-Y、LS-H91-Y、LS-H91F-Y、LS-H91-A-Y、LS-H91F-A-Y
| 標準型 | 無反射鏡型 |
|---|---|
| LS-H92 | LS-H92-Y |
| LS-H92F | LS-H92F-Y |
| LS-H91 | LS-H91-Y |
| LS-H91F | LS-H91F-Y |
| LS-H91-A | LS-H91-A-Y |
| LS-H91F-A | LS-H91F-A-Y |
放大器
| 種類 | 形狀 | 型號 | 輸出 | 連接方式 | |
|---|---|---|---|---|---|
| 連接器型 |
|
LS-401 (注1) |
NPN開路集電極晶體管雙輸出 |
使用另售的ONE SHOT電纜(4芯) | |
| LS-401P | PNP開路集電極晶體管雙輸出 | ||||
| ? |
帶上位通信功能 (注2) |
LS-403 | NPN開路集電極晶體管雙輸出 | ||
|
電纜型 (帶外部輸入) |
|
LS-401-C2 (注1) |
NPN開路集電極晶體管雙輸出 | 附帶2m橡皮電纜(5芯) | |
| LS-401P-C2 | PNP開路集電極晶體管雙輸出 | ||||
| (注1): | 已取得韓國S標志的認證。 |
|---|---|
| (注2): | 進行上位通信時,另行需要開放網絡對應通信單元SC-GU3系列。 |
單觸式電纜
連接器型放大器本體不附帶單觸式電纜。請務必另行購買單觸式電纜。
| (注): |
從2013年3月開始生產的產品,單觸式電纜的材質將更改為適應UL認證的材質(難燃性VW-1)。 ?導體公稱斷面積:0.15mm2→0.2mm2 ?鎧裝外徑:?3.0mm→?3.3mm |
|---|
無線連接器
LS-403連接CC-Link對應通信單元SC-GU2-C時,請購買無線連接器。
| 品名 | 形狀 | 型號 | 內容 |
|---|---|---|---|
| 無線連接器 |
|
CN-70 | LS-403連接CC-Link對應通信單元SC-GU2-C(注1)用單觸式連接器。 |
| (注1): | 關于CC-Link對應通信單元SC-GU2-C的詳細內容,請參考SC-GUC-2詳細內容頁面。 |
|---|
尾盤
放大器本體不附帶尾盤。連接時請務必另行購買尾盤。
| 形狀 | 型號 | 內容 |
|---|---|---|
|
MS-DIN-E |
連接放大器或在DIN導軌上移動放大器時,請從兩端夾緊放大器,并將其固定。 連接時請務必使用。 |
附件
|
|
|
|||||||||
|
規格
| 種類 | 同軸型回歸反射型 | |||
| 級別2 | 級別1 | |||
|
型 號 |
JIS/IEC/GB 適合類型 |
LS-H92 | LS-H91 | LS-H91-A |
|
FDA/IEC/JIS 適合類型(注2) |
LS-H92F | LS-H91F | LS-H91F-A | |
| 適合放大器 | LS-401(P)、LS-401(P)-C2、LS-403 | |||
|
檢 測 距 離 |
LONG |
0.2?30m (注3) |
0.1?7m (注3) |
0.1?5m (注3) |
| STD |
0.2?20m (注3) |
0.1?5m (注3) |
0.1?3m (注3) |
|
| FAST |
0.2?10m (注3) |
0.1?3m (注3) |
0.1?1m (注3) |
|
| H-SP | ||||
| 工作狀態指示燈 | 橙色LED(放大器輸出ON時亮起) | |||
| 激光投光指示燈 | 綠色LED(激光投光時亮起) | |||
| 光點調節器 | - | |||
|
環 境 性 能 |
保護構造 | IP40(IEC) | ||
| 使用環境溫度 | -10~+55℃(注意不可結露、結冰),存儲時:-20~+70℃ | |||
| 使用環境濕度 | 35~85%RH,存儲時:35~85%RH | |||
| 使用環境照明度 | 白熾燈:受光面照明度3,000lx以下 | |||
| 耐電壓 | AC1,000V 1分鐘 所有電源連接端子與外殼之間 | |||
| 絕緣電阻 | 所有電源連接端子與外殼之間,20MΩ以上,基于DC250V的高阻表 | |||
| 耐振動 | 頻率10~500Hz 雙振幅1.5mm(MAX.10G) X,Y和Z方向各2小時 | |||
| 耐沖擊 | 加速度100m/s2(約10G) X,Y和Z方向各3次 | |||
|
投 光 元 件 |
JIS/IEC/GB 適用類型 |
紅色半導體激光 2級(JIS/IEC/GB) 最大輸出:3mW 投光波峰波長:655nm |
紅色半導體激光 2級(JIS/IEC/GB) 最大輸出:1mW 投光波峰波長:655nm |
|
|
FDA/IEC/JIS 適用類型 (注2) |
紅色半導體激光 2級(FDA/IEC/JIS) 最大輸出:3mW 投光波峰波長:655nm |
紅色半導體激光 2級(FDA/IEC/JIS) 最大輸出:1mW 投光波峰波長:655nm |
||
| 材質 | 外殼:PBT(安裝部:PEI)、透鏡罩:丙烯 | |||
| 電纜 | 0.1mm2?單芯平行雙線屏蔽電纜,長2m(帶放大器連接器)(注4) | |||
| 重量 |
本體重量:約30g 包裝重量:約40g |
本體重量:約30g 包裝重量:約45g |
||
| 附件 |
RF-230(反射鏡):1個 警告標簽:1套(根據標準要求,同時隨附日語、英語和漢語各一張。) |
RF-230(反射鏡):1個 警告標簽:1套(根據標準要求,同時隨附日語、英語和漢語各一張。) |
RF-230(反射鏡):1個 說明標簽:1套(根據標準要求,同時隨附日語、漢語各一張。) |
|
(注1):無指定時的測量條件為使用環境溫度=+23℃。
(注2):依據第50號激光通告(2001.7.26),以FDA標準(21 CFR 1040.10)為準。
(注3):檢測距離為相對于反射鏡RF-330[LS-H92(F)為RF-230]的數值。另外,檢測距離表示反射鏡的可設范圍。亦可在0.1m[LS-H92(F)為0.2m]以下的距離檢測物體。
同軸型回歸反射型在近距離檢測理論上的鏡面體或光線容易擴散的物體時,可能會因發生偏光的光線不穩定而導致無法檢測。
此時請采取以下措施。
措施
·利用放大器的M.G.S.功能降低受光靈敏度值。
·變更反應時間。
·使檢測頭遠離檢測物體。
(注4):電纜不可延長。
| 種類 | 擴散反射型 | |||
| 長檢測距離光點反射型 |
長檢測距離 線性反射型 |
|||
| 級別2 | 級別1 | |||
|
型 號 |
JIS/IEC/GB 適用類型 |
LS-H21 | LS-H21-A |
LS-H22 (注3) |
|
FDA/IEC/JIS 適用類型 (注2) |
LS-H21F | LS-H21F-A |
LS-H22F (注3) |
|
| 適用放大器 | LS-401(P)、LS-401(P)-C2、LS-403 | |||
|
檢 測 距 離 |
LONG | 30?1,000mm | 30?500mm | 30?1,000mm |
| STD | 30?500mm | 30?250mm | 30?500mm | |
| FAST | 30?300mm | 30?150mm | 30?300mm | |
| H-SP | ||||
| 工作狀態指示燈 | 橙色LED(放大器輸出ON時亮起) | |||
| 激光透光指示燈 | 綠色LED(激光投光時亮起) | |||
| 光電調節器 | 配備多圈調節器 | |||
|
環 境 性 能 |
保護構造 | IP40(IEC) | ||
| 使用環境溫度 | -10~+55℃(注意不可結露、結冰),存儲時:-20~+70℃ | |||
| 使用環境濕度 | 35~85%RH,存儲時:35~85%RH | |||
| 使用環境照明度 | 白熾燈:受光面照明度3,000lx以下 | |||
| 耐電壓 | AC1,000V 1分鐘 所有電源連接端子與外殼之間 | |||
| 絕緣電阻 | 所有電源連接端子與外殼之間,20MΩ以上,基于DC250V的高阻表 | |||
| 耐振動 | 頻率10~500Hz 雙振幅1.5mm(MAX.10G) X,Y和Z方向各2小時 | |||
| 耐沖擊 | 加速度100m/s2(約10G) X,Y和Z方向各3次 | |||
|
投 光 元 件 |
JIS/IEC/GB 適用類型 |
紅色半導體激光 2級(JIS/IEC/GB) 最大輸出:3mW 投光波峰波長:655nm |
紅色半導體激光 1級(JIS/IEC/GB) 最大輸出:1mW 投光波峰波長:655nm |
紅色半導體激光 2級(JIS/IEC/GB) 最大輸出:3mW 投光波峰波長:655nm |
|
FDA/IEC/JIS 適用類型 (注2) |
紅色半導體激光 2級(JIS/IEC/GB) 最大輸出:3mW 投光波峰波長:655nm |
紅色半導體激光 1級(JIS/IEC/GB) 最大輸出:1mW 投光波峰波長:655nm |
紅色半導體激光 2級(JIS/IEC/GB) 最大輸出:3mW 投光波峰波長:655nm |
|
| 材質 | 外殼:PBT(安裝部:PEI)、透鏡罩:丙烯 | |||
| 電纜 | 0.1mm2?單芯平行雙線屏蔽電纜,長2m(帶放大器連接器)(注4) | |||
| 重量 |
本體重量:約30g 包裝重量:約40g |
本體重量:約35g 包裝重量:約45g |
||
| 附件 |
警告標簽:1套 (根據標準要求,同時隨附日語、英語和漢語各一張。) |
說明標簽:1套 (根據標準要求,同時隨附日語、漢語各一張。) |
LS-MR1(線性反射用透鏡附件) :1個 警告標簽:1套(根據標準要求,同時隨附日語、英語和漢語各一張。) |
|
(注1):無指定時的測量條件為使用環境溫度=+23℃。
(注2):依據第50號激光通告(2001.7.26),以FDA標準(21 CFR 1040.10)為準。
(注3):LS-H22(F)是長檢測距離光點反射型LS-H21(F)和線性反射用透鏡附件LS-MR1的成套型號。實際的產品型號為LS-H21(F)。
(注4):電纜不可延長。
| 種類 | 連接器型 | 電纜型 | ||
| ? | 帶上位通信功能 | |||
|
型 號 |
NPN輸出 | LS-401 | LS-403 | LS-401-C2 |
| PNP輸出 | LS-401P | - | LS-401P-C2 | |
| 電源電壓 | 12~24V DC±10% 脈動P-P10%以下 | |||
| 功耗 | 通常工作時:950mW以下(電源電壓24V時,消耗電流40mA以下),ECO模式下:780mW以下(電源電壓24V時,消耗電流33mA以下) | |||
|
輸出 (輸出1、輸出2) |
NPN開路集電極晶體管 ?最大流入電流:100mA(LS-403為50mA)(注2) ?·外加電壓:30V DC以下(輸出和0V之間) ?剩余電壓:1.5V以下[流入電流為100mA(LS-403為50mA)(注2)] PNP開路集電極晶體管 ?最大源電流:100mA(注2) ?外加電壓:30V DC以下(輸出和+V之間) ?剩余電壓:1.5V以下[源電流為100mA(注2)] |
|||
| ? | 輸出動作 | 可用突出開關選擇入光時ON/非入光時ON短 | ||
| 短路保護 | 配備 | |||
| 反應時間 | 80μs以下(H-SP)、150μs以下(FAST)、500μs以下(STD)、4ms以下(U-LG) 可用突出開關選擇 | |||
|
外部輸入 (投光停止 全自動教導/限定教導) |
- |
NPN無觸點輸入 ?信號條件:High … +5V~+V或斷開 Low … 0~+2V(源電流0.5mA以下) ?輸入阻抗:約10kΩ PNP無觸點輸入 ?信號條件:High … +4V~+V(流入電流3mA以下) Low … 0~+0.6V或斷開 ?輸入阻抗:約10kΩ |
||
| 工作狀態指示燈 | 橙色LED(輸出1、2 ON時亮起) | |||
| 激光投光指示燈 | 綠色LED(激光投光時亮起) | |||
| Select指示燈 | 黃色LED(選擇輸出1、2時亮起) | |||
| MODE指示燈 | RUN :綠色LED、TEACH·L/D·TIMER·CUST·PRO :黃色LED | |||
| 數字顯示 | 4位(綠色)+4位(紅色) LED顯示 | |||
| 靈敏度設定方法 |
通常模式:2點教導/限定教導/全自動教導/手動調節 窗口對比模式:教導(1點、2點、3點)/手動調節 應差模式:教導(1點、2點、3點)/手動調節 微分模式:LS-401□為5步設定,LS-403為8步設定 |
|||
| 設定靈敏度微調功能 | 配備 | |||
| 定時器功能 | 配備有可變接通延遲定時器/斷開延遲定時器/ONE SHOT定時器 有效/無效切換式 | |||
| ? | 定時器時間 | 約1?9,999ms | 約0.5ms、1?9,999ms | 約1?9,999ms |
| 自動防干擾功能 | 裝備[最多可貼近安裝4臺檢測頭(但是LS-401□在H-SP模式下無效,LS-403在H-SP模式下最多可安裝2臺檢測頭)] | |||
|
環 境 性 能 |
使用環境溫度 | -10~+55℃(4~7臺貼近安裝時:-10~+50℃、8~16臺貼近安裝時:-10~+45℃)(注意不可結露、結冰)、存儲時:-20~+70℃ | ||
| 使用環境濕度 | 35~85%RH,存儲時:35~85%RH | |||
| 耐電壓 | AC1,000V 1分鐘 所有電源連接端子與外殼之間 | |||
| 絕緣電阻 | 所有電源連接端子與外殼之間,20MΩ以上,基于DC250V的高阻表 | |||
| 耐振動 | 頻率10~150Hz 雙振幅0.75mm X,Y和Z方向各2小時 | |||
| 耐沖擊 | 加速度98m/s2(約10G) X,Y和Z方向各5次 | |||
| 材質 | 本體外殼:耐熱ABS,外罩:聚碳酸酯,按鈕開關:丙烯,突出開關:ABS | |||
| 電纜 | - (注4) | 0.15mm2?5芯橡皮電纜,長2m | ||
| 電纜延長 | 0.3mm2?以上的電纜全長可延長至100m | |||
| 重量 | 本體重量:約15g,包裝重量:約20g | 本體重量:約65g,包裝重量:約75g | ||
(注1):無指定時的測量條件為使用環境溫度=+23℃。
(注2):串聯連接5~8個LS-401(P)時為50mA,串聯連接9~16個時為25mA。
(注3):串聯連接5~16個LS-403時為25mA。
(注4): 連接器型不附帶電纜。請務必另行購買ONE SHOT電纜。
將LS-403連接至CC-Link對應通信單元SC-GU2-C時,請購買無線連接器。
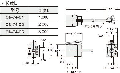
母電纜(4芯):CN-74-C1(電纜長1m)、CN-74-C2(電纜長2m)、CN-74-C5(電纜長5m)
子電纜(2芯):CN-72-C1(電纜長1m)、CN-72-C2(電纜長2m)、CN-72-C5(電纜長5m)
無線連接器:CN-70
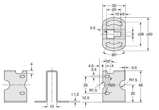
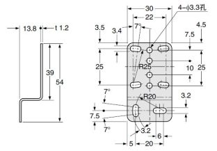
尺寸圖
- 單位mm
LS-H91(-A)
LS-H91F(-A)
檢測頭
|
LS-H92
LS-H92F
檢測頭
|
LS-H21(-A)
LS-H21F(-A)
檢測頭
|
LS-H22
LS-H22F
檢測頭
|
LS-401 LS-401P
LS-403
放大器
|
LS-401-C2
LS-401P-C2
放大器
|
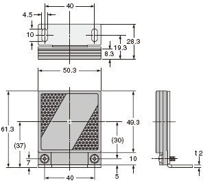
MS-DIN-E
尾盤(另售)
|
CN-74-C1 CN-74-C2
CN-74-C5
母電纜(另售)
|
CN-72-C1 CN-72-C2
CN-72-C5
子電纜(另售)
|
RF-230
反射鏡[LS-H92(F)上附帶]
|
RF-330
反射鏡(LS-H91上附帶)
|
RF-310
反射帶(另售)
|
RF-33
RF-31
反射帶(另售)
|
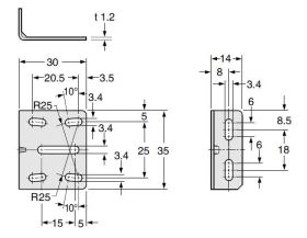
MS-DIN-2
放大器安裝支架(另售)
|
MS-CX-1
檢測頭安裝支架(另售)
|
MS-CX-2
檢測頭安裝支架(另售)
|
MS-CX-3
檢測頭安裝支架(另售)
|
MS-CX-4
檢測頭安裝支架(另售)
|
MS-RF23
|
|
用途
|
|
|
可選件
| 品名 | 型號 | 內容 | ||
|---|---|---|---|---|
|
檢測頭 安裝支架 |
MS-CX-1 | 立式安裝支架 | ||
| MS-CX-2 |
橫向安裝支架 可進行平面安裝,不會因支架高度帶來不便。 |
|||
| MS-CX-3 | 倒裝式安裝支架 | |||
| MS-CX-4 |
保護性安裝支架 保護傳感器免受因沖撞而引起的光軸偏差的影響。 |
|||
| 光軸微調支架 | MS-CX-11 |
是在安裝了檢測頭之后,可對光軸進行微調的安裝支架。 調整角度:上下?左右 各4° 安裝方向:縱向、橫向均可 |
||
|
通用傳感器 安裝支架 (注1) |
MS-AJ1 | 水平安裝型 | 基本裝配 | |
| MS-AJ2 | 垂直安裝型 | |||
| MS-AJ1-A | 水平安裝型 | 側壁裝配 | ||
| MS-AJ2-A | 垂直安裝型 | |||
| 放大器安裝支架 | MS-DIN-2 | 放大器專用的安裝支架。 | ||
| 反射鏡安裝支架 | MS-RF23 | 是用于RF-230的安裝支架。 | ||
| 放大器保護封條 | FX-MB1 |
2個交流窗用密封墊和1個連接器用封條:10套 交流窗用密封墊: 防止從一個放大器上傳輸信號造成的 動作異常及對另一個放大器的影響。 連接器用封條: 帶有ONE SHOT電纜針,防止任何 金屬等的接觸。 |
||
| 反射鏡 | RF-310 |
用于同軸型回歸反射型。 是小型規格的反射鏡。 |
檢測距離(U-LG) ?LS-H91(F): 0.1~7m ?LS-H91(F)-A: 0.1~5m |
|
| 反射帶 | RF-33 |
用于同軸型回歸反射型。 規格:25.2×27.8×t0.4mm |
||
| RF-31 |
用于同軸型回歸反射型。 規格:9.2×9.2×t0.4mm |
|||
|
數據庫通道切換單元 (注2) |
FX-CH | NPN輸入型 | 可通過外部信號,一舉切換最多16臺激光傳感器的數據庫通道。 | |
| FX-CH-P | PNP輸入型 | |||
| (注1): | 關于通用傳感器安裝支架的具體內容,請參考MS-AJ系列頁面。 |
|---|---|
| (注2): | 關于數據庫通道切換單元詳細內容,請參考FX-CH頁面。 |
檢測頭安裝支架
|
|
|
|||||||||
|
|
|
|
|||||||||
|
|
通用傳感器安裝支架
|
|
|
|||||||||
|
反射鏡
|
反射帶
|
|























科恩電氣
科恩眾和