限定反射微型光電傳感器[放大器內置] PM2系列 PM2-LF10(PM2-LF10B)
限定反射型、確保穩定檢測
編 號:1013961088
型 號:PM2-LF10(PM2-LF10B)
品 牌:Panasonic(松下電工)
貨 期:現貨
服 務:由科恩電氣發貨并提供售后服務
瀏 覽:次
- 基本信息
- 產品種類
- 詳細規格
- 產品尺寸
- 產品用途
- 可選件
限定反射型,確保穩定檢測
|
※1
|
※2
|
| ※1 | EMC指定適用 |
|---|---|
| ※2 | 認證獲得 |
特點
限定反射模式的穩定檢測
|
因限定反射型是在限定范圍內檢測, 所以具有穩定檢測的特性。 |
|
不受背景影響
|
若傳感器置于30mm以內,即使是有光澤背景也不會影響檢測性能。 |
|
可檢測到暗色物體
|
因傳感器非常敏感,可檢測到反射率低的暗色物體。 |
|
微小物體也能檢測
|
φ0.05mm銅線可在5mm距離內被檢測到。 |
|
備有電纜型
|
不需要繁瑣的焊接,可節省空間,提高可靠性。 |
|
種類
|
規格
| 種類 | 連接器 | |||
| 頂端檢測 | 正面檢測 | L型(頂端檢測) | ||
|
型 號 |
入光時ON | PM2-LH10 | PM2-LF10 | PM2-LL10 |
| 非入光時ON | PM2-LH10B | PM2-LF10B | PM2-LL10B | |
| 檢測距離 | 2.5~8mm(中心:5mm)(15×15mm白色無光澤紙)(注2) | |||
| 最小檢測物體 | φ0.05mm銅線(設定距離:5mm) | |||
| 應差 | 使用白色無光澤紙(15×15mm)工作距離的20%以下 | |||
| 重復精度(垂直于檢測軸) | 0.08mm以下(注3) | |||
| 電源電壓 | 5~24V DC±10% 脈動P-P5%以下 | |||
| 消耗電流 | 平均:25mA以下,峰值:80mA以下 | |||
| 輸出 |
NPN開路集電極晶體管 ?最大流入電流:100mA ?外加電壓:30V DC以下(輸出和0V之間) ?剩余電壓: 1V以下(流入電流為100mA時) 0.4V以下(流入電流為16mA時) |
|||
| 過電流保護 | 配備 | |||
| 反應時間 | 0.8ms以下 | |||
| 工作狀態指示燈 | 紅色LED(輸出ON時亮起) | |||
|
環 境 性 能 |
使用環境溫度 | -10~+55℃(注意不可結露、結冰),存儲時:-25~+80℃ | ||
| 使用環境濕度 | 45~85%RH,存儲時:45~85%RH | |||
| 使用環境照明度 | 白熾燈:受光面照明度3,500lx以下 | |||
| 耐振動 | 頻率10~55Hz 雙振幅1.5mm X,Y和Z方向各2小時 | |||
| 耐沖擊 | 加速度500m/s2 (約50G) X,Y和Z方向各3次 | |||
| 投光元件 | 紅外線LED(投光波峰波長:880nm、調制式) | |||
| 材質 | 外殼:聚碳酸酯,端子部分:銅合金(鍍銀) | |||
| 電纜 | - | |||
| 配線長度 |
0.3mm2以上的電纜全長可延長至2m (電纜若延長至2m以上,10μF的電容器必須連接在0V和+1V端子之間。) |
|||
| 重量 |
本體重量:約4.5g 包裝重量:約85g(10個裝) |
本體重量:約4g 包裝重量:約80g(10個裝) |
||
(注1):無指定時的測量條件為使用環境溫度=+23℃。
(注2):白色無光澤紙的檢測距離根據產品的變化可延長至12.5mm。
(注3):重復精度是對設定距離5mm的白色無光澤紙(15×15mm)的值。
| 種類 | 電纜型 | |||
| 頂端檢測 | 正面檢測 | L型(頂端檢測) | ||
|
型 號 |
入光時ON | PM2-LH10-C1 | PM2-LF10-C1 | PM2-LL10-C1 |
| 非入光時ON | PM2-LH10B-C1 | PM2-LF10B-C1 | PM2-LL10B-C1 | |
| 檢測距離 | 2.5~8mm(中心:5mm)(15×15mm白色無光澤紙)(注2) | |||
| 最小檢測物體 | φ0.05mm銅線(設定距離:5mm) | |||
| 應差 | 使用白色無光澤紙(15×15mm)工作距離的20%以下 | |||
| 重復精度(垂直于檢測軸) | 0.08mm以下(注3) | |||
| 電源電壓 | 5~24V DC±10% 脈動P-P5%以下 | |||
| 消耗電流 | 平均:25mA以下,峰值:80mA以下 | |||
| 輸出 |
NPN開路集電極晶體管 ?最大流入電流:100mA ?外加電壓:30V DC以下(輸出和0V之間) ?剩余電壓: 1V以下(流入電流為100mA時) 0.4V以下(流入電流為16mA時) |
|||
| 過電流保護 | 配備 | |||
| 反應時間 | 0.8ms以下 | |||
| 工作狀態指示燈 | 紅色LED(輸出ON時亮起) | |||
|
環 境 性 能 |
使用環境溫度 | -10~+55℃(注意不可結露、結冰),存儲時:-25~+80℃ | ||
| 使用環境濕度 | 45~85%RH,存儲時:45~85%RH | |||
| 使用環境照明度 | 白熾燈:受光面照明度3,500lx以下 | |||
| 耐振動 | 頻率10~55Hz 雙振幅1.5mm X,Y和Z方向各2小時 | |||
| 耐沖擊 | 加速度500m/s2 (約50G) X,Y和Z方向各3次 | |||
| 投光元件 | 紅外線LED(投光波峰波長:880nm、調制式) | |||
| 材質 | 外殼:聚碳酸酯,固定電纜部分:PBT | |||
| 電纜 | 0.2mm2 3芯橡皮電纜,長1m(注4) | |||
| 配線長度 | - | |||
| 重量 |
本體重量:約25g 包裝重量:約330g(10個裝) |
|||
(注1):無指定時的測量條件為使用環境溫度=+23℃。
(注2):白色無光澤紙的檢測距離根據產品的變化可延長至12.5mm。
(注3):重復精度是對設定距離5mm的白色無光澤紙(15×15mm)的值。
(注4):電纜不可延長。
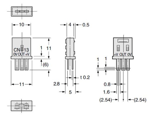
尺寸圖
- 單位mm
PM2-LH10
PM2-LH10B
|
|
PM2-LF10
PM2-LF10B
|
|
PM2-LL10
PM2-LL10B
|
|
CN-13
|
PM2-LH10-C1
PM2-LH10B-C1
|
PM2-LF10-C1
PM2-LF10B-C1
|
PM2-LL10-C1
PM2-LL10B-C1
|
用途
|
|
可選件
|
|
|


















科恩電氣
科恩眾和