單畫面?數字壓力開關 DP-0系列 DP-002C(DP-002C-P)
可視性、操作性、尺寸、安裝性均優良的壓力傳感器
編 號:1013991080
型 號:DP-002C(DP-002C-P)
品 牌:Panasonic(松下電工)
貨 期:現貨
服 務:由科恩電氣發貨并提供售后服務
瀏 覽:次
- 基本信息
- 產品種類
- 詳細規格
- 產品尺寸
- 產品用途
- 可選件


可視性、操作性、尺寸、安裝性均優良的壓力開關
|
※1
|
| ※1 | EMC指令 |
|---|
特點
清晰可見,可視性更強
|
三色顯示(白、紅、粉)
沿用三色主體畫面,內置設定狀態,使設置更靈活,操作更方便。
|
小巧輕便
縮短機體進深,減輕本體重量,安裝在機器人手臂等活動部位時,減輕了負擔。
|
兩種機體構造
兩種機體構造各具優勢,可根據實際應用靈活選擇。
|
|
三路輸出模式
|
|
|
種類
規格
| 種類 | 低壓型 | 高壓型 | |
| 型號 | NPN輸出 | DP-001(C) | DP-002(C) |
| PNP輸出 | DP-001(C)-P | DP-002(C)-P | |
| 壓力種類 | 表壓 | ||
| 額定壓力范圍 | -100.0kPa~+100.0kPa | 0.000~+1.000MPa | |
| 設定壓力范圍 | -101.0kPa~+101.0kPa | -0.010MPa~+1.010MPa | |
| 耐壓力 | 500kPa | 1.5MPa | |
| 適用流體 | 非腐蝕性氣體 | ||
| 電源電壓 | 12V~24V DC±10% 脈動P-P10%以下 | ||
| 消耗電流 |
電源電壓24V時,消耗電流30mA以下 |
||
| 比較輸出 |
NPN開路集電極晶體管 ?最大流入電流:50mA ?外加電壓:30V DC以下(比較輸出和0V之間) ?剩余電壓:2V以下(流入電流為50mA時) PNP開路集電極晶體管 ?最大流出電流:50mA ?外加電壓:30V DC以下(比較輸出和+V之間) ?剩余電壓:2V以下(源電流為50mA時) |
||
| 輸出動作 | 通過按鈕操作選擇N.O./N.C. | ||
| 輸出模式 | EASY模式/應差模式/窗式對比模式 | ||
| 應差 | 最小2digit(可變) | ||
| 重復精度 | ±0.2%F.S.(±4digits以內) | ±0.4%F.S.(±4digits以內) | |
| 反應時間 | 2.5ms/25ms/250ms 通過按鍵操作選擇 | ||
|
環 境 性 能 |
保護構造 | IP40(IEC) | |
| 周圍溫度 | 0~+50℃(注意不可結露、結冰)、存儲時:-10℃+60℃ | ||
| 周圍濕度 | 35%RH~85%RH、存儲時:35%RH~85%RH | ||
| 耐電壓 | AC500V 1分鐘 所有電源連接端子與外殼之間 | ||
| 絕緣電阻 | 所有電源連接端子與外殼之間,50MΩ以上,基于DC500V的高阻表 | ||
| 耐振動 |
頻率10Hz~150Hz 雙振幅0.75mm 最大加速度49m/s2 X,Y和Z方向各2小時 |
||
| 耐沖擊 | 加速度100m/s2(約10G) XYZ各方向3次 | ||
|
溫度特性 (+20℃基準) |
+10℃~+40℃:±1%F.S.以內 0~+50℃:±2.5%F.S.以內 |
+10℃~+40℃:±2%F.S.以內 0~+50℃:±5%F.S.以內 |
|
| 材質 | 外殼:PBT、LCD顯示屏:丙烯、壓力端口:黃銅鎳(樹脂型)、壓鑄鋅(壓鑄型) 、安裝螺紋部:黃銅(鍍鎳)、按鈕部:聚碳酸酯 | ||
| 重量(僅限于本體) | 樹脂型:約25g、壓鑄型:約40g | ||
| 附件 | CN-14A-C2(帶連接器電纜,長2m):1根 | ||
(注1):無指定時的測量條件為使用環境溫度=+20℃。
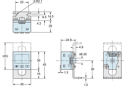
尺寸圖
- 單位mm
DP-00□(-P)
|
DP-00□C(-P)
|
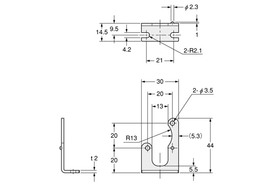
MS-DP1-1
傳感器安裝支架(另售)
|
|
MS-DP1-3
MS-DP1-8
面板安裝件(另售)、正面保護罩(另售)
|
|
用途
|
|
可選件
| 品名 | 型號 | 內容 | |
|---|---|---|---|
|
帶連接器 電纜 |
CN-14A-C1 | 長度1m |
0.2mm2 4芯橡皮電纜,一端帶連接器。 電纜外徑:?3.7mm |
| CN-14A-C2(注1) | 長度2m | ||
| CN-14A-C3 | 長度3m | ||
| CN-14A-C5 | 長度5m | ||
|
帶連接器 電纜 (耐彎曲型) |
CN-14A-R-C1 | 長度1m |
0.2mm2 4芯耐彎曲性橡皮電纜, 一端帶連接器。 電纜外徑:?3.7mm |
| CN-14A-R-C2 | 長度2m | ||
| CN-14A-R-C3 | 長度3m | ||
| CN-14A-R-C5 | 長度5m | ||
| 連接器 | CN-14A | 10個外殼、40個觸頭為1套 | |
| 傳感器安裝支架 | MS-DP1-1 | 開關/傳感器可安裝在地板面或天花板面。也可多臺緊貼安裝。 | |
| MS-DP1-5 |
開關/傳感器可安裝在背面。 也可多臺緊貼安裝。 |
||
| 面板安裝件 | MS-DP1-8 |
可安裝在厚度1mm~3mm的面板上。 也可多臺緊貼安裝。 |
|
| 正面保護罩 | MS-DP1-3 |
保護開關/傳感器的調節面。 (使用面板安裝件時,可安裝) |
|
(注1):開關附帶。
帶連接器電纜
|
傳感器安裝支架
|
|




















科恩電氣
科恩眾和